Brown Red Brown Black 4 Wire Trailer Wiring Diagram

Brown Red Brown Black 4 Wire Trailer Wiring Diagram

Brown Red Brown Black 4 Wire Trailer Wiring Diagram. Our trailer wiring diagram is a colour coded guide designed to help you wire your trailer plug or socket. This applies to all types of.

Wiring diagrams | Goodman Mfg GMH95 User Manual | Page 15 / 15
Wiring diagrams | Goodman Mfg GMH95 User Manual | Page 15 / 15 (Willie Ramos)
Left: Wiring diagram Middle: Link from tone to volume Right: Earth wire. Telephone Wiring Diagram for Home Telephone Jacks. This Orange wire connects to the base of the Tone pot.

Trailer wiring can be difficult to get your head around.

UK, AC: The United Kingdom now follows the IEC AC wiring color codes.

U Haul Trailer Wiring Diagram | Trailer Wiring Diagram

6 FT Black Jacket 14/4 Round Trailer Wire Red/Black/Brown ...

Bargman Tail Light Wiring Diagram Red Green Black

Vancouver Island RV Blog: 7-Way Trailer Connection

Trailer wiring basics for towing

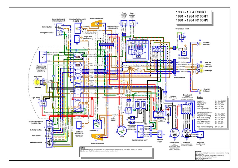
R100RS-RT Wiring Diagram - Public

Wiring diagrams | Goodman Mfg GMH95 User Manual | Page 15 / 15

The British Caravanners Club - Useful Information

95914 Camera Wiring Diagram

UK electrical wiring colours have changed in the past so it is essential you can tell difference between old wiring colours and new colours. This Orange wire connects to the base of the Tone pot. This telephone wiring diagram shows the standard wiring for Telephone Jacks explaining the wiring.

Share:

Posting Lainnya:

Disqus Comments